vilart99
New member
กำลังมึนตึ้บ กับ ระบบ ปั๊มลม อยู่
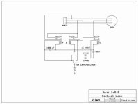
วงจรที่วาดไว้ ท่าทางจะใช้ไม่ได้
ระบบปั๊มลมของ Benz มี อีเล็คโทรนิค เข้ามาเกี่ยวข้องด้วย
จะเอาไฟ - + หรือ + - ไปต่อเข้าปั๊มลมเฉยๆ ไม่ได้
ขอเวลาไป นั่งคิด.. นอนคิด.. ตะแคงคิด.. ก่อน
ว่าจะทำยังไง :?: :?: :?: :idea: :idea:
วงจรที่วาดไว้ ท่าทางจะใช้ไม่ได้
ระบบปั๊มลมของ Benz มี อีเล็คโทรนิค เข้ามาเกี่ยวข้องด้วย
จะเอาไฟ - + หรือ + - ไปต่อเข้าปั๊มลมเฉยๆ ไม่ได้
ขอเวลาไป นั่งคิด.. นอนคิด.. ตะแคงคิด.. ก่อน
ว่าจะทำยังไง :?: :?: :?: :idea: :idea: